-
产品名称
雷达物位计
- 产品型号
-
公司名称
江苏金捷自动化仪表有限公司
-
免费热线
18915185465
- QQ报价
产品说明
一、产品概述
雷达物位计测量最大距离可达80米。天线被进一步优化处理,新型的快速的微处理器可以进行更高速率的信号分析处理,使得仪表可以用于如:反应釜或固体料仓非常复杂的测量条件。
二、测量原理
雷达物位计天线发射较窄的微波脉冲,经天线向下传输,微波接触到被测介质表面后被反射回来,再次被天线系统接收并将其传输给电子线路部分自动转换成物位信号。(因为微波传播速度极快,电磁波到达目标并经反射返回接收器这一来回所用的时间几乎是瞬间的)其原理图如下。

三、技术参数
应 用:耐温、耐压、轻微腐蚀的液体、固体
测量范围:30米
过程连接:螺纹、法兰
介质温度:-40~80℃;-40~130℃; -60~250℃;-60~1000℃
过程压力:-0.1~4MPa
精 度:±5mm
频率范围:26GHz
防爆等级:Exb IIBT4 Gb
防护等级:IP67
信号输出:4~20mA/HART(两线/四线)
四、性能特点
1、波束角小,能量集中,具有更强抗干扰能力,大大提高了测量精度和可靠性;
2、天线尺寸小,便于安装和加装防尘罩等天线防护装置;
3、测量盲区更小,对于小罐测量也会取得良好的效果;
4、波长更短,对小颗粒物质的料位测量更适合。
5、采用了先进的微处理器技术,雷达物位计可以应用于各种复杂工况。
6、采用脉冲工作方式,雷达物位计发射功率极低,可安装于各种金属、非金属容器内。
五、产品分类
雷达物位计按工作方式可分为接触式雷达物位计和非接触式雷达物位计,具体如下:
1、非接触式雷达物位计
非接触式雷达物位计常用喇叭或杆式天线来发射与接收微波,仪表安装在料仓顶部,不与被测介质接触,微波在料仓上部空间传播与返回。
非接触式雷达物位计,按照微波的波形又可分为脉冲雷达物位计和调频连续波雷达物位计。
2、接触式雷达物位计
接触式雷达物位计一般采用金属波导体(杆或钢缆)来传导微波,仪表从仓顶安装,导波直达仓底,发射的微波沿波导体外部向下传播,在到达物料面时被反射,沿波导体返回发射器被接收。
这种可以通过导波线或导波杆直接接触所测物料来测量的接触式雷达物位计,主要是导波雷达物位计,根据其采用的金属波导体不同,又可进一步细分为:缆式(单/双)、杆式(单/双)和同轴导波雷达物位计。
相比接触式雷达物位计,非接触式雷达物位计具有安装简单、维护量少、使用方式灵活、不受到仓内粉尘、温度等因素的影响等优点,是近年来发展最快的一种测量仪器。
六、产品选型
| 单元 | 雷达物位计参数 | |||||
| 防爆 | P 标准型(非防爆型) | |||||
| I 隔爆型(Exd II BT4 Gb) | ||||||
| 天线形式/材料 | B 喇叭天线Φ46mm/不锈钢304 | |||||
| C喇叭天线Φ76mm/不锈钢304 | ||||||
| D 喇叭天线Φ96mm/不锈钢304 | ||||||
| Y 特殊定制 | ||||||
| 连接过程/材料 | G G1/螺纹 不锈钢 | |||||
| GA G1螺纹 不锈钢 | ||||||
| N NPT螺纹 不锈钢 | ||||||
| NA NPT螺纹 不锈钢 | ||||||
| C 法兰DN50 PN16C 不锈钢 | ||||||
| D 法兰DN80 PN16C 不锈钢 | ||||||
| E 法兰DN100 PN16C 不锈钢 | ||||||
| F 法兰DN150 PN16C 不锈钢 | ||||||
| H 法兰DN200 PN16C 不锈钢 | ||||||
| K 法兰DN250 PN16C 不锈钢 | ||||||
| Y 特殊定制 | ||||||
| 密封/过程温度 | V 普通密封/(-40~150)℃ | |||||
| K 高温密封/(-40~250)℃ | ||||||
| T 高温密封/(-60~450)℃ | ||||||
| 电子单元 | 3 (4~20)mA/24VDC/HART两线制 | |||||
| 4 (4~20)mA/220VAC /四线制 | ||||||
| 5 RS485/Modbus | ||||||
| 外壳/防护等级 | L 铝/IP67 | |||||
| G不锈钢304/IP67 | ||||||
| 电缆进线 | M M20*1.5 | |||||
| N 1/2NPT | ||||||
| 特殊约定 | Y 特殊定制 | |||||
七、物位计价格
不同的型号规格每个厂家它的价格是不一样,比如,量程10米的价格与量程1米的价格是不一样的,如是介质是粉尘可以用喇叭口雷达物位计,也可用以棒式、导波雷达物位计,价格有5800元/台,也有4260元/台,不同的价格它的配置是不一样的,主要是根据现场工况为准。
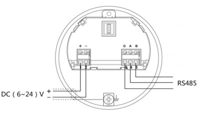
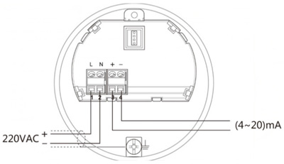
八、正确接线
雷达物位计的供电电压分直流和交流两种。在进行接线前,请先检查确认设备的铭牌、标签以及认证等级,同时准备好屏蔽双绞线,屏蔽双绞线的规格为:0.5mm2-2mm2。正确的接线图1、图2所示。


图1 图2
九、安装技巧
雷达物位计的精确度以及精密度非常的高,必须经过专业的安装,正确安装方式,才能得到精准良好的测量效果。
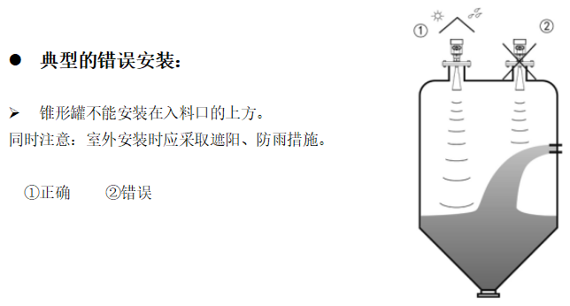
1、不要把设备安装在进料口、进料帘、漩涡等位置,被测物体在注入的时候会产生部分幅度造成虚假回波,导致数据不精确。漩涡则会引起不规则液位,影响微波信号产生散射,造成信号衰弱,导致数据不正确,特别要注意图1所示。

2、安装的容器内配有搅拌器,搅拌时会产生不规则漩涡,造成信号衰减,而且搅拌器上的叶片也会反射微波信号,造成虚假数据。尤其是在被测量的物体,物体相对介电常数较小并且达到低液位的时候,搅拌器对设备探测的数据造成的影响十分严重。所以雷达物位计的安装要避开搅拌器附近。
3、面对具有腐蚀性和已结晶的物体液体时,为了防止雷达物位计的传感器受到影响,一般都会采用配备聚四氟乙烯防护膜和分体法兰式结构的仪器型号。但是零件的耐高温程度不是太高,聚四氟乙烯只能达到200℃。所以为了避免因零件原因对测量数据产生影响,安装是要求法兰端面和最高液位之间要保持一定的安全距离。
4、如果安装的容器是一个凹形或者锥形,那么调试的时候一定要注意雷达波束要达到容器最低点的位置,如果被测物体的液位低于雷达波束记录的最低点,那么将无法测量,所以安装是要尽量的对最低点位置进行调整,确保测量数据的正确性。正确安装图2所示。

推荐资讯
- 雷达液位计工作过程2024-11-12
- 耐高温蒸汽流量计可靠性高的原因分析2025-11-19
- 温度补偿蒸汽流量计测量关键要点2025-11-17
- 高温蒸汽流量计的优点2025-11-11
- 蒸汽流量计的目的是什么?2025-11-03
- 电子蒸汽流量计线路短路会呈现哪种状况?2025-11-01
- 怎么挑选适合的蒸汽涡街流量计?2025-10-28
- 大口径蒸汽流量计:技术要点、应用特性与选型指南2025-10-13
- 过热蒸汽流量计的主要功用2025-10-07
- 蒸汽管道焊接流量计焊接式装置的特征与优势2025-09-25






